金莎9001zz以诚为本

行业动态

了解最新公司动态及行业资讯

节能环保的污染土壤修复系统

2017-10-10 02:25:44 325 编辑:admin 来源:本站
    之前我们讲过传统的污染土壤修复系统差别我共同点,在最后我们说道了这几种系统的缺点,今天郑州金莎9001zz以诚为本针对这种缺点,提供一种可以快速均匀地加热污染土壤,热脱附效果好,且节能环保的污染土壤修复系统。
    1、节能环保的污染土壤修复系统技术方案是:
    一种污染土壤修复系统,包括通过管路依次相连通的热脱附装置、滤芯吸附装置、风机、填料塔和指示罐;所述热脱附装置包括炉腔、燃气加热组件、位于所述炉腔侧壁的进风阀和位于所述炉腔内的热管;所述炉腔的顶部通过管路与滤芯吸附装置相连通;
    所述热管有多根,热管的一端贴合在炉腔的底面,另一端向上延伸至炉腔的中上部;所述燃气加热组件用于加热所述炉腔的底面;所述指示罐内设有吸附指示剂,所述指示罐的顶部设有排气管。
    上述热管竖直呈螺旋状设置。 上述填料塔内的填料为多孔不锈钢波纹板,所述滤芯吸附装置内设有多层高分子复合材料制成的滤芯。
    上述填料塔内还设有循环喷淋组件,所述循环喷淋组件包括喷淋头和液泵,所述喷淋头设于填料塔内的顶部,所述液泵的出液口通过管道与喷淋头相连通,所述液泵的进液口与填料塔的底部相连通;所述填料塔的底部储存有有机物吸附溶液,所述填料塔进气的管路伸入填料塔内且位于有机物吸附溶液的液面以下。
    上述指示罐进气的管路伸入指示罐内且位于吸附指示剂内;所述指示罐的侧面开设有观察窗。上述排气管的顶端位于整个污染土壤修复系统的最高处。
    上述热脱附装置还包括进风管和位于所述炉腔内的搅拌机构和网板框架;所述搅拌机构包括中空转轴和固定连接在所述中空转轴上的中空搅拌桨,所述中空转轴竖直设置且两端分别与所述炉腔的顶部和底部转动连接,所述中空转轴和中空搅拌桨的内腔形成连通的风道,所述进风管与所述风道相连通,所述中空转轴和中空搅拌桨上均设有通风口;所述网板框架与炉腔的内壁固定连接且位于所述炉腔的内壁与搅拌机构之间,所述热管固定连接在所述网板框架上;所述进风管位于所述炉腔的下方,所述燃气加热组件用于加热所述进风管,所述进风管上设有阀门。
    上述燃气加热组件包括燃烧器、燃气混合器、燃气管、燃气阀、空气管和空气阀;所述燃气管和空气管分别与燃气混合器的两个进气口相连通,所述燃气混合器的出气口与所述燃烧器相连通,所述燃气管上设有燃气阀,所述空气管上设有空气阀。
    上述热脱附装置和滤芯吸附装置之间的管路上还设有空气热交换器;所述空气热交换器的出气口通过气泵与所述空气管相连通。
    上述污染土壤修复系统还包括中央控制器和设于所述炉腔内的温度传感器;所述温度传感器的信号输出端与所述中央控制器相连,所述中央控制器用于控制所述风机的开关状态和风量大小以及空气阀、进风阀和燃气阀的开关状态和开关程度。
    上述污染土壤修复系统还包括设于所述排气管内的气体检测传感器,所述气体检测传感器的信号输出端与所述中央控制器相连。
    2、节能环保的污染土壤修复系统具有积极的效果:
    (1 )本发明的污染土壤修复系统通过热脱附装置对污染土壤进行加热 ,使污染土壤中的有机污染物挥发 , 风机及附加设备配合,可以使得热脱附装置的炉腔内形成负压,降低有机污染物的沸点,使得有机污染物更容易挥发 ,热管作为导热介质使得污染土壤的加热更加快速均匀。本发明的污染土壤修复系统中的热脱附装置体积较大,热脱附效果好,效率高,适用于污染土壤的大批量处理。
    (2)本发明的污染土壤修复系统采用空气热交换器对从热脱附装置出来的尾气进行冷却,使得有机污染物冷凝,从而可以被吸附处理干净,空气热交换器,产生的热空气用于与燃气混合,节能环保。
    (3)本发明的污染土壤修复系统的尾气处理没有采用燃烧尾气的方法,而是滤芯吸附装置、喷淋填料塔、指示罐等依次进行吸附处理,多层过滤,排放的气体清洁无污染,指示罐可以对尾气的排放进行指示,最后的排气管中设置传感器可以对尾气的排放进行监测,达到双保险的效果,有效地防止了二次污染。
    (4)本发明的污染土壤修复系统采用中央控制器可以对污染土壤的加热过程和尾气处理过程进行自动化的监控,智能化程度高。
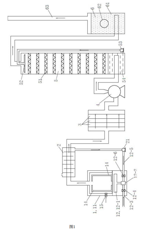
    3、节能环保的污染土壤修复系统结构示意图
    图1是实施例1的污染土壤修复系统的结构示意图。
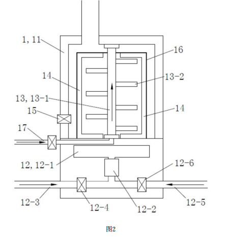
    图2是实施例2的污染土壤修复系统的热脱附装置的结构示意图。
    热脱附装置1,炉腔11,燃气加热组件12,燃烧器12-1,燃气混合器12-2,燃气管12-3,燃气阀12-4,空气管12-5,空气阀12-6,搅拌机构13,中空转轴13-1,中空搅拌桨13-2,热管14,进风阀15,网板框架16,进风管17,空气热交换器2,气泵21,滤芯吸附装置3,风机4,填料塔5,波纹板51,喷淋头52,液泵53,有机物吸附溶液54,指示罐6,吸附指示剂61,观察窗62,排气管63。
  污染土壤修复系统的结构示意图污染土壤修复系统的热脱附装置的结构示意图

30

装备制造经验

立即免费获取土壤修复方案

为用户提供及时、高效、便捷的服务

在线咨询
金莎9001zz以诚为本环境希望与你携手,共创美好未来...
5